Motores Verticales Flecha Hueca Familia HS100

Los motores HS100 de eficiencia NEMA Premium® son diseñados para operar con bombas de pozo profundo las cuales demandan altas cargas de empuje axial descendente.

Estos motores verticales flecha hueca pueden operar en interior o intemperie, ya que por su diseño totalmente cerrado TCCVE, los bobinados, rodamientos, estator y rotor están libres de contaminación por polvo, humedad, basura y ataque de roedores, lo que garantiza un funcionamiento confiable y una larga vida útil. Los motores están provistos con brida tipo “P” para facilicar el montaje directo a la bomba.

Especificaciones técnicas

  • 25 a 300 HP.
  • Factor de servicio de 1.15, a 40ºC ambiente.
  • 4 polos (1800 RPM).
  • Disponible en armazones desde 284TP hasta 449TP1.
  • Trifásicos, 60 Hz con voltaje:
  • 230/460V a partir de armazón 284TP hasta 405TP.
  • 460 V en armazones 440TP.
  • Brida P.
  • Trinquete de NO retroceso.
  • Cumplen los siguientes estándares de eficiencia:
    • NOM-016-ENER 2016.
    • NEMA Premium® efficiency
  • Aislamiento clase F, elevación de temperatura Clase B @1.0 F.S.
  • Diseño NEMA B, servicio continuo.
  • Protección IP54.

Características para una larga vida

Carcasa y Escudos – Construidos en fundición gris para una estructura integral excepcional y resistente a la corrosión, equipado con techo de protección, trinquete de NO retroceso y dispositivos de izaje. Cuenta además con drenes de condensación tipo T (T-drains).

Rotor – El diseño único en el rotor provee mejoras en la eficiencia debido a la longitud de las barras de aluminio y los anillos finales reducen perdidas por resistencia. Cada rotor es dinámicamente balanceado con el propósito de alargar la vida de los rodamientos y se incluye una flecha fabricada en acero al carbón (C1045) para ofrecer un máximo desempeño.

Estator – Fabricado con laminaciones de acero con grado eléctrico Premium y alambre magneto de cobre para así reducir perdidas y elevar la eficiencia. El diseño único en el paquete de laminaciones del estator disminuye la densidad de flujo e incrementa la capacidad de enfriamiento. Una mayor sección transversal en los conductores permite reducir las perdidas por resistencia en el estator.

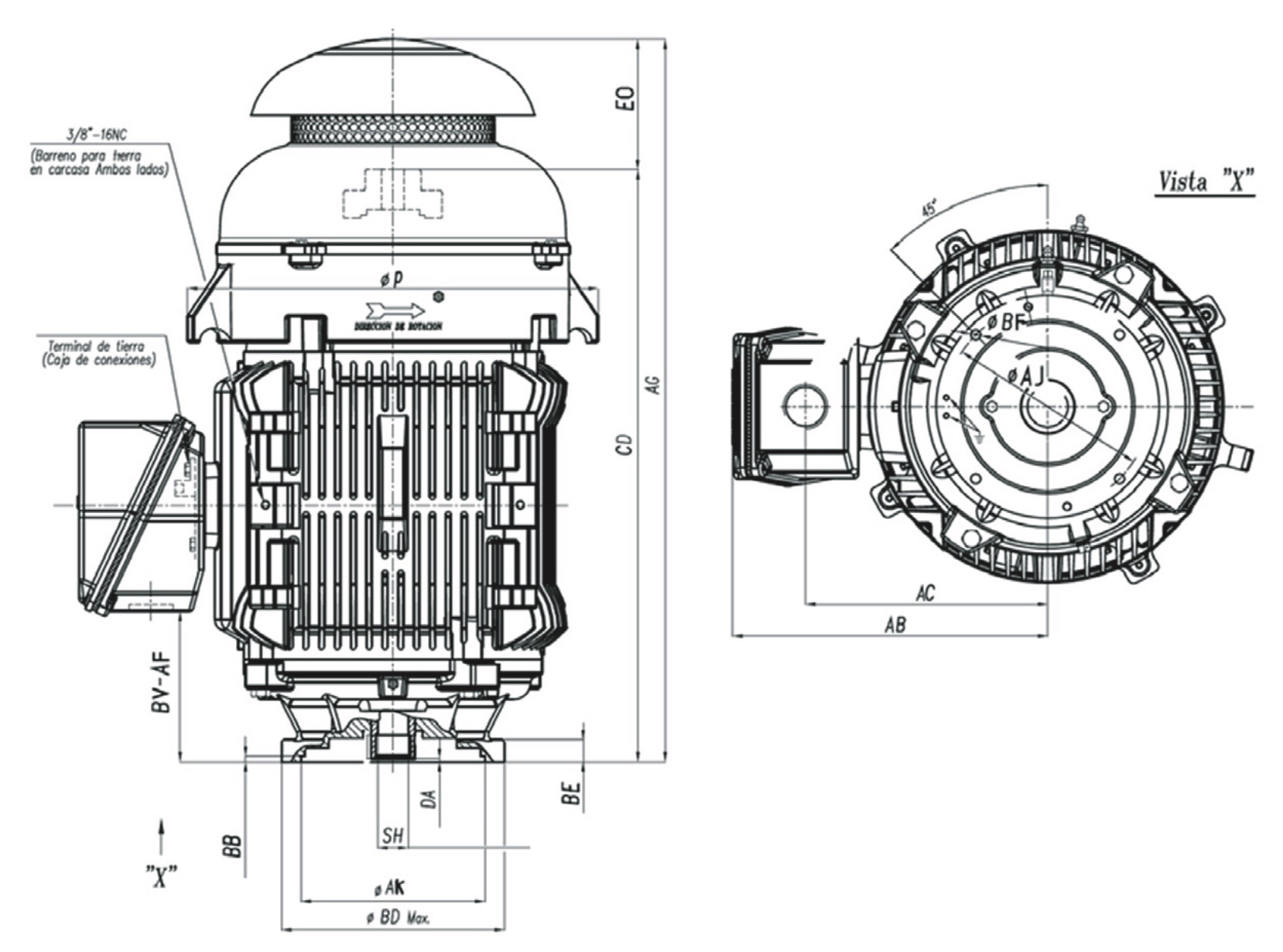
Dimensiones generales

Caja de conexiones – Fabricada en fundición gris con dimensiones mayores a los estándares industriales, provista de un corte diagonal, empaques de neopreno y permite la rotación en ángulos de 90° para facilitar y agilizar su conexión. Dispositivo de puesta a tierra dentro de la caja y terminales clara y permanentemente marcadas.

Resistencia a la corrosión – Construcción en fundición gris, ventilador metálico, pintura esmalte alquidal modificado, color gris carbón y placa de datos de acero inoxidable resistente a la corrosión.

Modificable y personalizado – Todos los motores cuentan con una amplia variedad de modificaciones que hacen posible cumplir con el motor especifico que usted necesita.

Aislamiento – Motores provistos con un sistema de aislamiento para uso con inversor Clase F no higroscópico con elevación de temperatura NEMA Clase B que proporciona un margen extra respecto a la vida térmica de los devanados. El sistema de barnizado utilizado asegura una máxima penetración en los devanados obteniendo protección contra la humedad, corrosión y sobrecargas eléctricas.

Ventilación – Un ventilador es colocado en la flecha del mo-tor. Su diseño reduce pérdidas y ruido, mejora el flujo de aire obteniendo una optima ventilación. El capuchón de fundición gris es ofrecido en todos los tamaños de armazón.

Rodamientos – Son reengrasables y sobredimensionados en todos los tamaños con tapas – balero en fundición gris. Es suministrado un rodamiento de bolas en lado accionamiento (rodamiento guía) y uno o dos rodamientos de contacto angular en lado ventilador (rodamientos de carga) con lo cual es posible soportar hasta 5500 kg de carga axial, además los motores con armazón 405TP y mayores están provistos de fábrica con una protección térmica “en rodamiento”. Cuenta con dispositivos de lubricación Alemite a la entrada y tubo de alivio de grasa a la salida para facilitar su mantenimiento.

Lubricación – SHELL GADUS S2 V220 AC2 a base de poliurea especialmente formulada para altas temperaturas es utilizada para proporcionar hasta cuatro veces la vida de lubricación de otras grasas y/o aceites.